当前所在的位置:首页-产品中心

MVR(机械蒸汽压缩)蒸发结晶系统

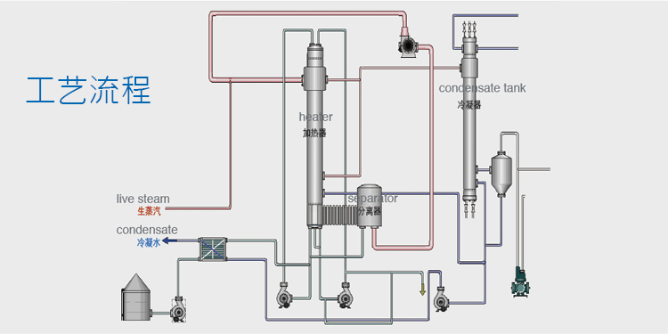
MVR蒸发系统使用压缩风机将蒸发系统中形成的二次蒸汽压缩升压,压缩后的二次蒸汽的冷凝温度升高可作为蒸发系统的热源。在合适的条件下,系统不需要补充生蒸汽完成蒸发;当进料温度低于系统的蒸发温度,当无法从浓缩液和系统产生的冷凝水中回收足够热能时,需要补充少量生蒸汽用于将物料预热到沸点。通常蒸发一吨水压缩风机的能耗在15KW-30KW范围内;根据物料特性,也会低于或高于这个范围。

产品特点

无需生蒸汽;

低能耗、低运行费用

可与结晶器组合,做成MVR形式的连续结晶器;

工程案例



下一产品: 强制循环蒸发器